Zhejiang Sehnaider Electric Co., Ltd.
Zhejiang Sehnaider Electric Co., Ltd.
Produkt
BH-0.66-30 nuvarande transformatorer
  • BH-0.66-30 nuvarande transformatorerBH-0.66-30 nuvarande transformatorer

BH-0.66-30 nuvarande transformatorer

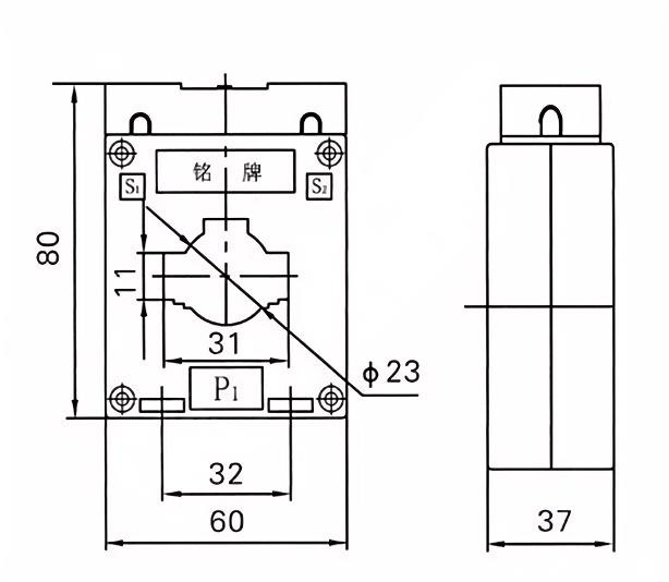
BH-0.66-30 nuvarande transformatorer (CT) är precisionskonstruerade instrument utformade för exakt strömmätning och övervakning i elektriska system med låg spänning. Med en nominell isoleringsspänning på 0,66 kV är dessa transformatorer idealiska för energihantering, skyddande vidarebefordran och mätningsapplikationer.

Drag:

Hög noggrannhet: uppfyller IEC 61869 standarder, vilket säkerställer tillförlitlig prestanda för fakturering och övervakning.

Kompakt design: Rymdbesparande konstruktion för enkel installation i trånga utrymmen.

Brett strömområde: Primärström upp till 30A, lämplig för olika industriella och kommersiella belastningar.

Hållbara material: Robust bostäder ger motstånd mot miljöfaktorer och mekanisk stress.

Säkerhetsöverensstämmelse: BH-0.66-30 Aktuella transformatorer överensstämmer med internationella säkerhets- och prestationscertifieringar.


Applikationer:

Energimätning i kraftdistributionssystem.

Överströmsskydd i brytare och reläer.

Integration med smarta rutnät och IoT-baserade övervakningslösningar.

Tekniska specifikationer:

Nominell spänning: 0,66 kV

Frekvens: 50/60Hz

Noggrannhetsklass: 0,5, 1,0 (anpassningsbar)

Börda: Enligt kundkraven


Huvudtekniska parametrar

Nominell primär
ström (a)
Noggrannhet
klasser
kombination
Klassad sekundärutgång (VA) Är termisk ström (KA) Klassad dynamisk ström (KA)
0,2 (s) 0.2 0.5 10p10
5-40 0,2/10p10
0,5/10p10
/ 10 10 15 90lin 220lin
5-40 100lin 250lin
5-40 20 50
5-40
5-40 36 90
10
5-40 45 100
5-40 56 100
5-40
5-40 80 110
5-40 100 110


Hot Tags: BH-0.66-30 nuvarande transformatorer
Skicka förfrågan
Kontaktinformation
Om du har någon förfrågan om offert eller samarbete, vänligen skicka e -post till oss på River@dahuelec.com eller använd följande förfrågningsformulär. Vår säljrepresentant kommer att kontakta dig inom 24 timmar. Tack för ditt intresse för våra produkter.
X
Vi använder cookies för att ge dig en bättre webbupplevelse, analysera webbplatstrafik och anpassa innehåll. Genom att använda denna sida godkänner du vår användning av cookies. Sekretesspolicy
Avvisa Acceptera