Zhejiang Sehnaider Electric Co., Ltd.
Zhejiang Sehnaider Electric Co., Ltd.
Produkt
BH-0.66-50 nuvarande transformatorer
  • BH-0.66-50 nuvarande transformatorerBH-0.66-50 nuvarande transformatorer

BH-0.66-50 nuvarande transformatorer

BH-0,66-50 nuvarande transformatorer är precisionsinstrument utformade för exakt mätning och övervakning av elektriska strömmar i olika industriella tillämpningar. Med en nominell ström på 50A och ett transformationsförhållande på 0,66 ger dessa transformatorer pålitliga och exakta strömmätningsfunktioner.

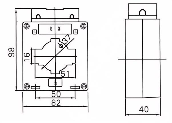
Inomhus epoxihartsström transformator eller inomhusplasthölje strömtransformator

• Enfas, tvåfas eller tre fas.

• Nominell spänning: 0,66 kV

• Mätklass för CT: 0,2S, 0,2,0,5, 0,5S

• Standard: IEC61869-2

• Typnamn: BH-0.66-50

Denna strömtransformator inomhus torrtyp används i 0,66 kV, 0,75 kV. Kraftsystem, för mätning och skydd.

Det har använts i skåpomkopplare eller i vikinstallerade switchstationer.

BH-0,66-50 strömtransformatorer är tillverkade av hög temperatur inomhus epoxiharts, amorf legeringskärna för mätning och hög kvalitet inuti kärnan för skydd, primär och sekundär användning ren elektrolytisk koppar.


Applikationer:

Kraftdistributionssystem

Energihanteringssystem

Övervakning av industriutrustning

Förnybara energisystem


1. Premiummaterial

Högkärnor: Precision-laminerat kiselstål eller nanokristallina kärnor för minimala förluster och hög linearitet.  

Robust isolering: Epoxihartsdesigner säkerställer långsiktig stabilitet i hårda miljöer.  


2. Överlägsen prestanda

Noggrannhet: Klass 0,2/0,5 för mätning, 5p/10p för skydd, överensstämmer med IEC 61869, 60044, IEEE och ANSI -standarder.  

Brett intervall: stöder 0,6 kV-36kV-system, med anpassade förhållanden/frekvens (50/60Hz).  

Låg termisk stigning: Optimerad design minskar överhettningen och förlänger livslängden.  

EMC -immunitet: Sköldar mot elektromagnetisk störning för tillförlitliga signaler.  


3. Service & support

Anpassade lösningar: Skräddarsydda förhållanden, storlekar eller kontakter (t.ex. DIN -skena, IEC -terminaler).  

Globala certifieringar: IEC, CE, ISO och lokala rutnät.  

Livslångt tekniskt stöd: 24/7 Support, installationsvägledning och reservdelar.  

Snabb leverans: Standardprodukter på 2-4 veckor; snabba alternativ för brådskande behov.  


Huvudtekniska parametrar

Nominell primär
ström (a)
Noggrannhet
klasser
kombination
Klassad sekundärutgång (VA) 1S Termal Current (KA) Klassad dynamisk ström (KA)
0,2 (s) 0.2 0.5 10p10
5-40 0,2/10p10
0,5/10p10
/ 10 10 15 90lin 220lin
5-40 100lin 250lin
5-40 20 50
5-40
5-40 36 90
10
5-40 45 100
5-40 56 100
5-40
5-40 80 110
5-40 100 110




Hot Tags: BH-0.66-50 nuvarande transformatorer
Skicka förfrågan
Kontaktinformation
Om du har någon förfrågan om offert eller samarbete, vänligen skicka e -post till oss på River@dahuelec.com eller använd följande förfrågningsformulär. Vår säljrepresentant kommer att kontakta dig inom 24 timmar. Tack för ditt intresse för våra produkter.
X
We use cookies to offer you a better browsing experience, analyze site traffic and personalize content. By using this site, you agree to our use of cookies. Privacy Policy
Reject Accept