Zhejiang Sehnaider Electric Co., Ltd.
Zhejiang Sehnaider Electric Co., Ltd.
Produkt
BH-0.66-60 Aktuella transformatorer
  • BH-0.66-60 Aktuella transformatorerBH-0.66-60 Aktuella transformatorer

BH-0.66-60 Aktuella transformatorer

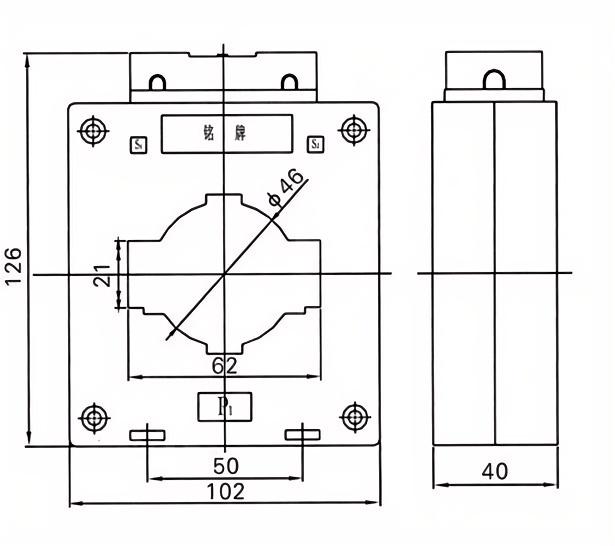
BH -0.66-60 nuvarande transformatorer antar PC -flam - retardantmaterial, och det magnetiska - ledande materialet är en glödgad toroidal kärna för att säkerställa produktens noggrannhet vid nivåer 0,2 och 0,5. För ultra - höga noggrannhetsnivåer såsom 0,2 och 0,5s kan endast superledande magneter uppfylla sådana noggrannhetskrav.

BH-0,66-60 nuvarande transformatorer är tillämpliga på kraftsystem med en nominell frekvens på 50Hz och en nominell spänning på 0,66 kV, 0,69 kV, 0,5 kV och under för elektrisk energimätning, strömmätning och reläskydd.


Denna nuvarande transformator av Dahu är för inomhusbruk, installerad inuti distributionsskåp och lådor. Den har en ny magnetkretsdesign, avancerade kompensationsmetoder, utsökta bearbetningstekniker, säker och pålitlig prestanda och ett litet och vackert utseende.


Det yttre skalet är tillverkat av högstyrka flamma - retardant PC med en helt sluten struktur och en låga - retardantklassificering av V1. Den inre kärnan är tillverkad av högkvalitativa kornorienterade kiselstålark. Tråddiametern är strikt vald enligt den ekonomiska strömtätheten för att säkerställa mindre temperaturökning. Med avancerad och tillförlitlig testutrustning säkerställer den efterlevnaden av kvalitetsstandarder.


Den har fyrkantiga och runda håltyper, lämpliga för enstaka rot- eller multipel - rotkabel penetration eller enstaka rotbussstång. Den har en komplett produktserie, en mängd olika specifikationer och ett brett applikationsintervall.


Ansökningar

Energiövervakning och mätning

Kretsskydd och relanskoordination

Industrial Automation och Smart Grid Systems

Tekniska specifikationer

Nominell spänning: 0,66 kV

Frekvens: 50/60Hz

Noggrannhetsklass: 0,5, 1,0 (anpassningsbar)

Isoleringsnivå: 3kV/min


Huvudtekniska parametrar

Nominell primär
ström (a)
Noggrannhet
klasser
kombination
Klassad sekundärutgång (VA) 1S Termal Current (KA) Klassad dynamisk ström (KA)
0,2 (s) 0.2 0.5 10p10
5-40 0,2/10p10
0,5/10p10
/ 10 10 15 90lin 220lin
5-40 100lin 250lin
5-40 20 50
5-40
5-40 36 90
10
5-40 45 100
5-40 56 100
5-40
5-40 80 110
5-40 100 110


Hot Tags: BH-0.66-60 Aktuella transformatorer
Skicka förfrågan
Kontaktinformation
Om du har någon förfrågan om offert eller samarbete, vänligen skicka e -post till oss på River@dahuelec.com eller använd följande förfrågningsformulär. Vår säljrepresentant kommer att kontakta dig inom 24 timmar. Tack för ditt intresse för våra produkter.
X
We use cookies to offer you a better browsing experience, analyze site traffic and personalize content. By using this site, you agree to our use of cookies. Privacy Policy
Reject Accept